聯系我們
18903178757
- 地址:
- 河北省泊頭市富鎮開發區
- 傳真:
- 0317-8041117
- Q Q:
- 28505225
高溫旋風除塵器
5.11.1技術性能
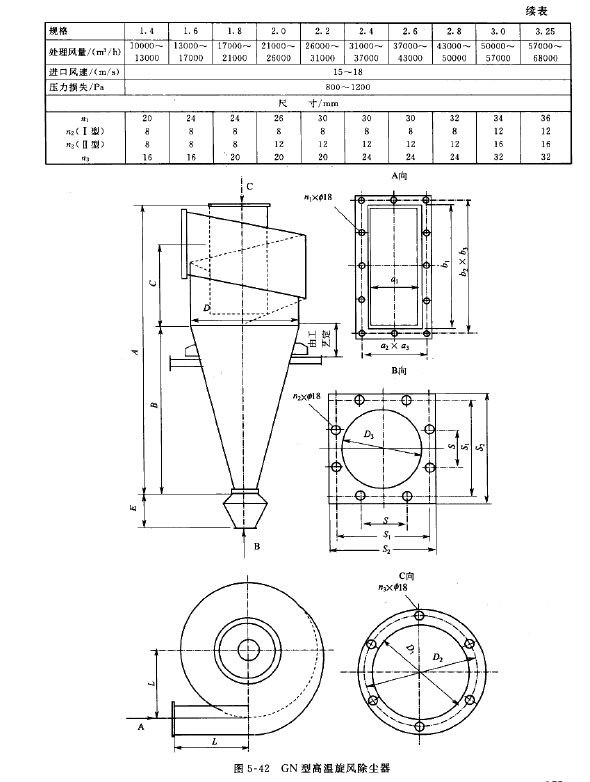
GN型高溫旋風除塵器是專為高濃度、高溫含塵氣體的預處理除塵器^粉塵濃度可達 I000g/m3,含塵氣體溫度高達350Ce其除塵效率為80%?95%,壓力損失為800? 1200Pa。
結構特點是采用了蝸殼斜向進風和膨脹式集灰斗。
5.11.2 GN型高溫旋風除塵器
GN型高溫旋風除塵器規格有處理風量自10000?SSOOOmVh共10種,其尺寸見圖 和表5-63。


?

上一篇:慣性除塵器的工作原理
下一篇:旋風慣性除塵器

